.

MMF Proposal

mmf

Application Architecture Design & Documentation

This is an overview of the evolving technical architecture for The Manitoba Métis Federation Affinity Card System. It outlines the technologies that The MMF members will use for broad collaboration and participation in this distributed network.

The page provides a high-level description of the goals and the architectural styles and components that have been selected to best achieve them. A framework allows for the development of the design criteria and documents that define the technical and domain standards in detail. It is these detailed design documents that will guide the development of the actual MMF content in terms of messages and services.

To understand the requirements of the application for processing the activities, it is important that we review the basic purposes and features of the card itself.

The Affinity Card

Purpose:

As a marketing standpoint, the card involves branding The Manitoba Métis Federation to a credit scheme provided to its members who would be eligible to certain discounts and facilities upon using the card to purchase said products from said suppliers.

The card would also help track the buying habits of the member which would generate revenue for the federation when it establishes affiliate networks with the manufacturers or suppliers of the products often bought by certain members.

Features:

The purpose of the card portrays that it needs to store sensitive digital information about the owner/member of the federation including his/her identity, financial information, usage details such as the date and time, last used and the location where used to purchase what and for how much.

A copy of this data will have to be logged into the central database in real time.

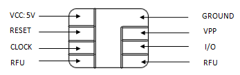
Connectivity: The primary means to access the card will be through a ‘Point Of Sales’ Swipe Machine, therefore its means of connection will be an I/O BUS located on the front, left hand side of the card. The BUS will also be used to program/reprogram the card via a computer connected to the card.Optionally, the card may also include a magnetic strip on its rear in order to form compatibility with supportive card reading appliances. It may be encoded with personal customer information or other indications of authenticity.

Additional features may include Geo-location and store verification processes via a trans-receiver circuitry that utilizes antennas to communicate with wireless infrastructures such as communication base stations and satellites. Thus, the trans-receiver can be used to geo-locate the card and thereby determine the store in which it is being used. Additionally the trans-receiver can be used to program the card with customer information or information concerning location of a particular store or supplier and the bar code associated with the location. The trans-receiver geo-locates the position of card by accessing wireless transmissions from nearby base stations. Trans-receiver, then cooperates with controller to geo-locate card using satellite geo-location techniques like the Global positioning system. Once the location of the card is determined, the controller will pass-on the bar-code associated with the store in order to authenticate the purchase.

The Affinity card further comprises of a processor circuit to form the base of the controller  in order to coordinate with the I/O BUS (POS Terminal/Computer/Remote Database), the Trans-Receiver and the storage circuit.

CardInternalStructure_MMFAffinityCard.com_Dobro1.2TPCVGSB100412V1.2

I/O BUS Specifications:

IO Bus

The Affinity Algorithm:

processflow_MMF


Graphics & Artwork

This is an overview of the evolving technical architecture for The Manitoba Métis Federation Affinity Card System. It outlines the technologies that The MMF members will use for broad collaboration and participation in this distributed network.

The page provides a high-level description of the goals and the architectural styles and components that have been selected to best achieve them. A framework allows for the development of the design criteria and documents that define the technical and domain standards in detail. It is these detailed design documents that will guide the development of the actual MMF content in terms of messages and services.

Application Test Plan Design & Document

This is an overview of the evolving technical architecture for The Manitoba Métis Federation Affinity Card System. It outlines the technologies that The MMF members will use for broad collaboration and participation in this distributed network.

The page provides a high-level description of the goals and the architectural styles and components that have been selected to best achieve them. A framework allows for the development of the design criteria and documents that define the technical and domain standards in detail. It is these detailed design documents that will guide the development of the actual MMF content in terms of messages and services.

Application Prototype

This is an overview of the evolving technical architecture for The Manitoba Métis Federation Affinity Card System. It outlines the technologies that The MMF members will use for broad collaboration and participation in this distributed network.

The page provides a high-level description of the goals and the architectural styles and components that have been selected to best achieve them. A framework allows for the development of the design criteria and documents that define the technical and domain standards in detail. It is these detailed design documents that will guide the development of the actual MMF content in terms of messages and services.

Provider Role Development

This is an overview of the evolving technical architecture for The Manitoba Métis Federation Affinity Card System. It outlines the technologies that The MMF members will use for broad collaboration and participation in this distributed network.

The page provides a high-level description of the goals and the architectural styles and components that have been selected to best achieve them. A framework allows for the development of the design criteria and documents that define the technical and domain standards in detail. It is these detailed design documents that will guide the development of the actual MMF content in terms of messages and services.

Third-Party Provider Merchant 360

This is an overview of the evolving technical architecture for The Manitoba Métis Federation Affinity Card System. It outlines the technologies that The MMF members will use for broad collaboration and participation in this distributed network.

The page provides a high-level description of the goals and the architectural styles and components that have been selected to best achieve them. A framework allows for the development of the design criteria and documents that define the technical and domain standards in detail. It is these detailed design documents that will guide the development of the actual MMF content in terms of messages and services.